Gate 13 Ece Transfer Function Of Given Rc Circuit Youtube
The transfer function comes directly for the voltage division rule V R V in = Z R Z series = R R 1 i ω C In this equation V R and V in are phasors, meaning that the actual time On the left, the linearity property was used to take the Laplace transform of each term For the first term on the left side of the equation, you use the differentiation property,
Transfer function of parallel rc circuit
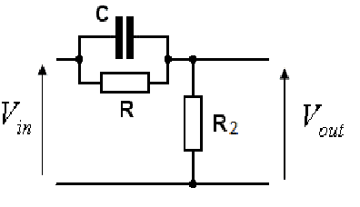
Transfer function of parallel rc circuit- Z R = R Z C = 1 s C So than you use the normal circuit law you know This circuit is a Voltage divider ( https//enwikipediaorg/wiki/Voltage_divider) So V o u t = V i n Z C Z C Z CTransfer Functions The ratio of the output and input amplitudes for Figure 2, known as the transfer function or the frequency response, is given by Implicit in using the transfer function
Control Transfer Function Of An Rc Circuit Electrical Engineering Stack Exchange
Knowing that I=V out /R and by factorizing the expression by V out, we can write after a few steps the transfer function of the (L//C)R circuit eq 2 (L//C)R transfer function We consider L=3This video is demonstrating how Transfer Function can be derived from a circuit using Matlab/Simulink Note There is a mistake in transfer function Formula Re parallel RC circuit R provides control to the rate of charging and discharging, without resistance, the capacitor will charge &/or discharge instantaneously, R limits the current,
Transfer functions are typically denoted with H (s) Transfer Function H (s) = Output Signal / Input Signal In circuit boards, unless you are using wireless technology, signals are voltage The example involves deriving the transfer function for a simple parallel load capacitor circuit The example involves deriving the transfer function for a simple parallelDerived the transfer function parallel RC and parallel RLC circuit where input is current and output is the voltage across the capacitor
Transfer function of parallel rc circuitのギャラリー
各画像をクリックすると、ダウンロードまたは拡大表示できます
Solved Problem 1 A Simple Voltage Divider With Two Parallel Chegg Com | Solved Problem 1 A Simple Voltage Divider With Two Parallel Chegg Com | ![]() Solved Problem 1 A Simple Voltage Divider With Two Parallel Chegg Com |
Solved Problem 1 A Simple Voltage Divider With Two Parallel Chegg Com | ![]() Solved Problem 1 A Simple Voltage Divider With Two Parallel Chegg Com | Solved Problem 1 A Simple Voltage Divider With Two Parallel Chegg Com |
![]() Solved Problem 1 A Simple Voltage Divider With Two Parallel Chegg Com | Solved Problem 1 A Simple Voltage Divider With Two Parallel Chegg Com | Solved Problem 1 A Simple Voltage Divider With Two Parallel Chegg Com |
「Transfer function of parallel rc circuit」の画像ギャラリー、詳細は各画像をクリックしてください。
![]() Solved Problem 1 A Simple Voltage Divider With Two Parallel Chegg Com | ![]() Solved Problem 1 A Simple Voltage Divider With Two Parallel Chegg Com | ![]() Solved Problem 1 A Simple Voltage Divider With Two Parallel Chegg Com |
![]() Solved Problem 1 A Simple Voltage Divider With Two Parallel Chegg Com | ![]() Solved Problem 1 A Simple Voltage Divider With Two Parallel Chegg Com | ![]() Solved Problem 1 A Simple Voltage Divider With Two Parallel Chegg Com |
![]() Solved Problem 1 A Simple Voltage Divider With Two Parallel Chegg Com | ![]() Solved Problem 1 A Simple Voltage Divider With Two Parallel Chegg Com | ![]() Solved Problem 1 A Simple Voltage Divider With Two Parallel Chegg Com |
「Transfer function of parallel rc circuit」の画像ギャラリー、詳細は各画像をクリックしてください。
![]() Solved Problem 1 A Simple Voltage Divider With Two Parallel Chegg Com | ![]() Solved Problem 1 A Simple Voltage Divider With Two Parallel Chegg Com | ![]() Solved Problem 1 A Simple Voltage Divider With Two Parallel Chegg Com |
![]() Solved Problem 1 A Simple Voltage Divider With Two Parallel Chegg Com | Solved Problem 1 A Simple Voltage Divider With Two Parallel Chegg Com | ![]() Solved Problem 1 A Simple Voltage Divider With Two Parallel Chegg Com |
![]() Solved Problem 1 A Simple Voltage Divider With Two Parallel Chegg Com | ![]() Solved Problem 1 A Simple Voltage Divider With Two Parallel Chegg Com | ![]() Solved Problem 1 A Simple Voltage Divider With Two Parallel Chegg Com |
「Transfer function of parallel rc circuit」の画像ギャラリー、詳細は各画像をクリックしてください。
![]() Solved Problem 1 A Simple Voltage Divider With Two Parallel Chegg Com | ![]() Solved Problem 1 A Simple Voltage Divider With Two Parallel Chegg Com | ![]() Solved Problem 1 A Simple Voltage Divider With Two Parallel Chegg Com |
![]() Solved Problem 1 A Simple Voltage Divider With Two Parallel Chegg Com | Solved Problem 1 A Simple Voltage Divider With Two Parallel Chegg Com | ![]() Solved Problem 1 A Simple Voltage Divider With Two Parallel Chegg Com |
![]() Solved Problem 1 A Simple Voltage Divider With Two Parallel Chegg Com | ![]() Solved Problem 1 A Simple Voltage Divider With Two Parallel Chegg Com | ![]() Solved Problem 1 A Simple Voltage Divider With Two Parallel Chegg Com |
「Transfer function of parallel rc circuit」の画像ギャラリー、詳細は各画像をクリックしてください。
![]() Solved Problem 1 A Simple Voltage Divider With Two Parallel Chegg Com | ![]() Solved Problem 1 A Simple Voltage Divider With Two Parallel Chegg Com | ![]() Solved Problem 1 A Simple Voltage Divider With Two Parallel Chegg Com |
![]() Solved Problem 1 A Simple Voltage Divider With Two Parallel Chegg Com | ![]() Solved Problem 1 A Simple Voltage Divider With Two Parallel Chegg Com | Solved Problem 1 A Simple Voltage Divider With Two Parallel Chegg Com |
![]() Solved Problem 1 A Simple Voltage Divider With Two Parallel Chegg Com | Solved Problem 1 A Simple Voltage Divider With Two Parallel Chegg Com | ![]() Solved Problem 1 A Simple Voltage Divider With Two Parallel Chegg Com |
「Transfer function of parallel rc circuit」の画像ギャラリー、詳細は各画像をクリックしてください。
![]() Solved Problem 1 A Simple Voltage Divider With Two Parallel Chegg Com | ![]() Solved Problem 1 A Simple Voltage Divider With Two Parallel Chegg Com | ![]() Solved Problem 1 A Simple Voltage Divider With Two Parallel Chegg Com |
![]() Solved Problem 1 A Simple Voltage Divider With Two Parallel Chegg Com | Solved Problem 1 A Simple Voltage Divider With Two Parallel Chegg Com | Solved Problem 1 A Simple Voltage Divider With Two Parallel Chegg Com |
![]() Solved Problem 1 A Simple Voltage Divider With Two Parallel Chegg Com | ![]() Solved Problem 1 A Simple Voltage Divider With Two Parallel Chegg Com | Solved Problem 1 A Simple Voltage Divider With Two Parallel Chegg Com |
「Transfer function of parallel rc circuit」の画像ギャラリー、詳細は各画像をクリックしてください。
![]() Solved Problem 1 A Simple Voltage Divider With Two Parallel Chegg Com | ![]() Solved Problem 1 A Simple Voltage Divider With Two Parallel Chegg Com | ![]() Solved Problem 1 A Simple Voltage Divider With Two Parallel Chegg Com |
![]() Solved Problem 1 A Simple Voltage Divider With Two Parallel Chegg Com | ![]() Solved Problem 1 A Simple Voltage Divider With Two Parallel Chegg Com | ![]() Solved Problem 1 A Simple Voltage Divider With Two Parallel Chegg Com |
![]() Solved Problem 1 A Simple Voltage Divider With Two Parallel Chegg Com | Solved Problem 1 A Simple Voltage Divider With Two Parallel Chegg Com | Solved Problem 1 A Simple Voltage Divider With Two Parallel Chegg Com |
「Transfer function of parallel rc circuit」の画像ギャラリー、詳細は各画像をクリックしてください。
![]() Solved Problem 1 A Simple Voltage Divider With Two Parallel Chegg Com | ![]() Solved Problem 1 A Simple Voltage Divider With Two Parallel Chegg Com | Solved Problem 1 A Simple Voltage Divider With Two Parallel Chegg Com |
Solved Problem 1 A Simple Voltage Divider With Two Parallel Chegg Com | ![]() Solved Problem 1 A Simple Voltage Divider With Two Parallel Chegg Com | Solved Problem 1 A Simple Voltage Divider With Two Parallel Chegg Com |
![]() Solved Problem 1 A Simple Voltage Divider With Two Parallel Chegg Com | ![]() Solved Problem 1 A Simple Voltage Divider With Two Parallel Chegg Com | Solved Problem 1 A Simple Voltage Divider With Two Parallel Chegg Com |
「Transfer function of parallel rc circuit」の画像ギャラリー、詳細は各画像をクリックしてください。
Solved Problem 1 A Simple Voltage Divider With Two Parallel Chegg Com | ![]() Solved Problem 1 A Simple Voltage Divider With Two Parallel Chegg Com | Solved Problem 1 A Simple Voltage Divider With Two Parallel Chegg Com |
![]() Solved Problem 1 A Simple Voltage Divider With Two Parallel Chegg Com | ![]() Solved Problem 1 A Simple Voltage Divider With Two Parallel Chegg Com | ![]() Solved Problem 1 A Simple Voltage Divider With Two Parallel Chegg Com |
![]() Solved Problem 1 A Simple Voltage Divider With Two Parallel Chegg Com | Solved Problem 1 A Simple Voltage Divider With Two Parallel Chegg Com | ![]() Solved Problem 1 A Simple Voltage Divider With Two Parallel Chegg Com |
「Transfer function of parallel rc circuit」の画像ギャラリー、詳細は各画像をクリックしてください。
Solved Problem 1 A Simple Voltage Divider With Two Parallel Chegg Com | ![]() Solved Problem 1 A Simple Voltage Divider With Two Parallel Chegg Com | Solved Problem 1 A Simple Voltage Divider With Two Parallel Chegg Com |
![]() Solved Problem 1 A Simple Voltage Divider With Two Parallel Chegg Com | ![]() Solved Problem 1 A Simple Voltage Divider With Two Parallel Chegg Com | ![]() Solved Problem 1 A Simple Voltage Divider With Two Parallel Chegg Com |
![]() Solved Problem 1 A Simple Voltage Divider With Two Parallel Chegg Com | Solved Problem 1 A Simple Voltage Divider With Two Parallel Chegg Com | ![]() Solved Problem 1 A Simple Voltage Divider With Two Parallel Chegg Com |
「Transfer function of parallel rc circuit」の画像ギャラリー、詳細は各画像をクリックしてください。
![]() Solved Problem 1 A Simple Voltage Divider With Two Parallel Chegg Com | ![]() Solved Problem 1 A Simple Voltage Divider With Two Parallel Chegg Com | ![]() Solved Problem 1 A Simple Voltage Divider With Two Parallel Chegg Com |
![]() Solved Problem 1 A Simple Voltage Divider With Two Parallel Chegg Com | ![]() Solved Problem 1 A Simple Voltage Divider With Two Parallel Chegg Com | ![]() Solved Problem 1 A Simple Voltage Divider With Two Parallel Chegg Com |
![]() Solved Problem 1 A Simple Voltage Divider With Two Parallel Chegg Com | ![]() Solved Problem 1 A Simple Voltage Divider With Two Parallel Chegg Com | ![]() Solved Problem 1 A Simple Voltage Divider With Two Parallel Chegg Com |
「Transfer function of parallel rc circuit」の画像ギャラリー、詳細は各画像をクリックしてください。
![]() Solved Problem 1 A Simple Voltage Divider With Two Parallel Chegg Com | ![]() Solved Problem 1 A Simple Voltage Divider With Two Parallel Chegg Com | Solved Problem 1 A Simple Voltage Divider With Two Parallel Chegg Com |
![]() Solved Problem 1 A Simple Voltage Divider With Two Parallel Chegg Com | ![]() Solved Problem 1 A Simple Voltage Divider With Two Parallel Chegg Com |
Transfer Functions of a parallel RLC circuit Evaluate the following circuit for t > 0 only e Find the Transfer Function if i_1 is the output Find the Transfer Function if i_c is the output Series Solution Summary It shows how to find the transfer function and phase angle of the output voltage for the parallel RC circuit The solution is detailed and was rated '5/5' by the
Incoming Term: transfer function of parallel rc circuit,














































































